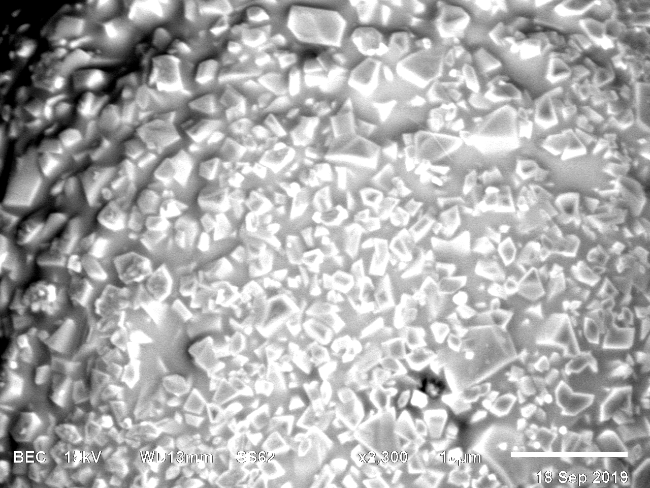
THMM551
Classification: Porphyritic Olivine (PO)
Size: 105 x 110 µm | Shape: roundish | Colour: grey/black
Crystalline structure: non-oriented crystals
Metal differentiation: Fe/Ni bead
Magnetite: single crystals
Locality: site #56 | rooftop, aeolian deposits | N 52.670800, E 7.301100 | Terrestrial age: 0-21 a









